Informatics Point
Информатика и проектирование
Факторы, влияющие на входной коэффициент мощности
Назначение выпрямительного устройства состоит в преобразовании переменного напряжения питающей сети в постоянное, которое используется для питания всевозможных электронных устройств. Как уже отмечалось, преобразование электрической энергии осуществляется с помощью резко нелинейных элементов - вентилей, которые могут находиться только в одном из двух состояний - включенном (проводящем) или выключенном (запертом). В результате как потребление энергии из питающей сети, так и передача ее на выходе потребителю происходит дискретно, что приводит к снижению качества преобразуемой и преобразованной электроэнергии. Для ослабления и сглаживания последствий дискретности процесса преобразования энергии, для уменьшения переменных составляющих предназначены фильтры на входе и выходе вентильной ячейки.
Для выпрямителей принципиальное значение имеет характер нагрузки, включенной на выходе, т.е. схема сглаживающего фильтра. Наличие сглаживающего фильтра оказывает значительное влияние на режим работы выпрямителя и его элементов, т.к. наличие переменной составляющей в большинстве случаев является нежелательным. Накопление (запасание) мощности можно осуществить лишь в реактивных элементах - катушках индуктивности или конденсаторах, которые оказывают соответственно большое и малое сопротивления переменному току и, наоборот, для постоянного тока. В итоге фильтр пропускает с малым ослаблением постоянную составляющую и с большим ослаблением переменную составляющую. Чем больше индуктивность L или емкость C, тем пульсации меньше, ток в нагрузке получается более сглаженным.
Включением конденсатора можно создать самостоятельную цепь протекания тока, обусловленную переменной составляющей выпрямленного напряжения, минуя цепь нагрузки. Т.к. сопротивление конденсатора переменному току малó, то его переменная составляющая в основном идет в ветвь конденсатора, падение напряжения на конденсаторе от переменной составляющей тока также малό, обеспечивая тем самым уменьшение пульсаций напряжения на нагрузке.
При работе устройства от сети переменного тока важно знать характер потребляемой им мощности. Наиболее благоприятным режимом является потребление только активной мощности. Это означает, что при синусоидальном напряжении сети потребляемый ток также синусоидален и не имеет фазового сдвига относительно питающего напряжения.
Способы коррекции входного коэффициента мощности
В настоящее время наиболее популярным методом коррекции входного коэффициента мощности стал метод активной высокочастотной коррекции. В данном случае переключение элементов, регулирующих потоки мощности, осуществляется с частотой много большей, чем частота питающей сети, по синусоидальному закону с частотой, равной частоте напряжения питающей сети. Тогда, при условии постоянства напряжения на выходе моста, на входе образуется широтно-модулированная последовательность импульсов. Это позволяет обеспечить синусоидальный входной ток, совпадающий по фазе с питающим напряжением, при существенно лучших весогабаритных показателях системы в целом.
Для повышения входного коэффициента мощности используют так называемые корректоры входного коэффициента мощности (Power Factor Corrector - PFC (KKM)), которые располагаются между выпрямителем и емкостным фильтром. . Сформировать на входе выпрямителя синусоидальный ток можно с помощью одной из распространенных схем преобразователей постоянного напряжения в постоянное.

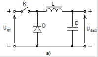
Рис. 1.8. Схемы преобразователей постоянного напряжения в постоянное: а) понижающий; б) повышающий;
Широтно-импульсные преобразователи постоянного напряжения преобразовывают постоянное напряжение в импульсное, среднее значение которого (т.е. его постоянную составляющую, выделяемую в нагрузке фильтрами) можно регулировать.
Эти схемы используются в качестве корректоров коэффициента мощности, если их расположить между мостовым выпрямителем и фильтрующим конденсатором, и с помощью системы управления управлять ключом K.
Решение производственных задач по основам метрологии и радиоизмерений
Предметом дисциплины «Метрология и радиоизмерения» является
изучение основ метрологии и метрологического обеспечения, стандартизации и
сертификации в област ...
Система охранно-пожарной сигнализации ООО Завод Медсинтез
охранный сигнализация пожарный
Пожарная безопасность предусматривает обеспечение
безопасности людей и сохранения материальных ценностей предприятия н ...
Практическая реализация универсального программно-аппаратного лабораторного комплекса автоматизации измерений
Возрастание
количества измерений, нарастание сложности аппаратуры, повышение требований к
точности, расширение использования математических методов обработк ...
Меню сайта
2026 © www.informaticspoint.ru