Informatics Point

Информатика и проектирование

Выбор устройств стабилизации параметров напряжения и частоты синхронного генератора

Рис.4 Функциональная схема устройства ПРЧ

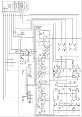
Принципиальная схема устройства ПРЧ приведена на рис.5

Рис.5 Принципиальная схема устройства ПРЧ

Основные технические характеристики:

1) подключается к шинам напряжения 380В через типовые трансформаторы U=380/127 В;

) уставка по частоте 50 Гц;

) должен иметь точность поддержания частоты на уставке ± 0,5% fН;

) характеристика прибора и точность регулировки частоты не должны зависеть от формы кривой напряжения регулируемой сети и от её cosφ;

5) должен надёжно и чётко работать при длительных колебаниях напряжения ± 10% от номинального и кратковременных колебаниях напряжения -35% ÷ +13% от номинального.

Перейти на страницу: 1 2 3 4 

Лучшие статьи по информатике

Применение цифровых фотокамер для осуществления регулярной видеосъемки в образовательных учреждениях
цифровая фотокамера видеосъёмка Современная жизнь диктует новые требования к качеству изобразительного контента. Если в 1980-90 е года черно-белая картинка с ...

Технология создания первичной фонограммы в условиях записи чистового звука к видеофильму формата DVCAM с использованием PC для записи звука на съемочной площадке
Главные цели, поставленные автором для данной курсовой работы - показать работу звукорежиссера в условиях съемки видеофильма формата DVCAM с использованием п ...

Проектирование линзовой афокальной насадки для маломощного лазера
Основой любого оптического прибора, в том числе и лазера, является оптическая система, которая представляет собой совокупность оптических деталей (линз, зер ...

Меню сайта