Informatics Point
Информатика и проектирование
Индикация сетевого напряжения
Индикация сетевого напряжения осуществляется с помощью неоновой лампы HL1. Последовательно лампе HL1 включаем балластный резистор типа МЛТ-1 сопротивлением 150 кОм.
Индикация выходного напряжения
Для индикации выходного напряжения используется светодиод типа АЛ307В зеленого свечения и максимальным током 20 мА. Для задания тока через светодиод включен балластный резистор, который обеспечивает ток через светодиод 10 мА. Сопротивление резистора
. (6.1)
Мощность, рассеиваемая на резисторе RЭ
. (6.2)
Выбираем резистор RЭ типа МЛТ-0,25-1,3 кОм.
Выбор сетевого выключателя
Выбираем сетевой выключатель типа ТВ1-1 со следующими параметрами:
коммутируемый ток 0,001… 20 А;
коммутируемое переменное напряжение 1,6…250 В;
Выбор предохранителя
Выбираем предохранитель FU1 типа ВП на ток 20 А.
Заключение
В процессе курсового проектирования были достигнуты такие цели по разработке двухканального источника питания постоянного тока:
выбрано схемное решение для построения ИВЭП,
разработана структурная схема (приложение А),
рассчитан стабилизатор первого канала с такими параметрами:
а) Uвых = 5 В, Iвых = 20 A;
б) коэффициент полезного действия η = 0,47;
рассчитан выпрямитель первого канала на диодах типа КД202Г;
рассчитан выпрямитель второго канала на диодах типа КД105Б;
рассчитаны параметры трансформатора;
индикация сетевого напряжения осуществляется с помощью неоновой лампы HL1 типа TH-0,3;
сетевой предохранитель типа ВП.
Полученные в ходе выполнения курсового проектирования знания и навыки будут использованы в дальнейшем для выполнения других курсовых проектов и лабораторных работ, а также для будущей инженерной и научной деятельности.
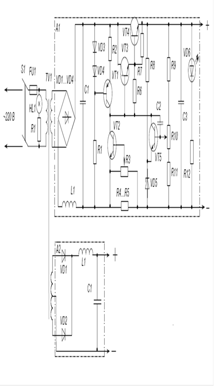
Приложение А
Рисунок А.1 - Принципиальная электрическая схема источника питания
Приложение Б
Таблица Б.1 - Перечень элементов
|
Поз. обозначение |
Наименование |
Кол |
Примечание |
|
A1 |
Стабилизатор напряжения |
1 | |
|
Конденсаторы | |||
|
C1 |
КМ-5-0,1мкФ |
1 | |
|
C2 |
К50-32А-15000 мкФ-16В |
1 | |
|
C3 |
К50-20-2 20 мкФ-350В |
1 | |
|
Резисторы | |||
|
R1 |
МЛТ-0.125-68 Ом |
1 | |
|
R2 |
МЛТ-0.125-1.3 кОм |
1 | |
|
R3 |
МЛТ-0.125-52 кОм |
1 | |
|
R4, R5 |
С5-16МВ-5-0,7 Ом |
2 | |
|
R6 |
МЛТ-0.125-47 Ом |
1 | |
|
R7 |
МЛТ-0.125-1кОм |
1 | |
|
R8 |
МЛТ-0. 5-4.3 кОм |
1 | |
|
R9 |
МЛТ-0,125-30 Ом |
1 | |
|
R10 |
СП3-23-0,125-390 Ом |
1 | |
|
R11 |
С5-2-120 Ом |
1 | |
|
Полупроводниковые приборы | |||
|
VD1-VD3 |
КС168А |
3 | |
|
VD4,VD5 |
КД521В |
2 | |
|
VT1 |
ТК142-50 |
1 | |
|
VT2 |
КТ815Б |
1 | |
|
VT3 |
КТ503Б |
1 | |
|
VT4 |
КТ604Б |
1 | |
|
L1 |
Дроссель Д269 | ||
|
A2 |
Выпрямитель второго канала | ||
|
VD1,VD2 |
Диод КД205Г |
2 | |
|
L1 |
Дроссель Д-5-0,08 |
1 | |
|
C1 |
Конденсатор К50-20 |
1 | |
|
TV1 |
Трансформатор ПЭВ 220В -50Гц |
1 | |
|
R1 |
Резистор МЛТ-0,5-4,0 кОм |
1 | |
|
FU1 |
Предохранитель ВП-1,8 А |
1 | |
|
S1 |
Выключатель ПКН4-2 |
1 | |
|
HL1 |
Лампа МН-5 |
1 |
Технология создания первичной фонограммы в условиях записи чистового звука к видеофильму формата DVCAM с использованием PC для записи звука на съемочной площадке
Главные цели, поставленные автором для данной курсовой работы - показать
работу звукорежиссера в условиях съемки видеофильма формата DVCAM с использованием п ...
Разработка технологического процесса сборки и монтажа усилителя тока
В
настоящее время, когда развивающаяся рыночная экономика заставляет предприятия
специализирующиеся на выпуске радиоэлектронной аппаратуры (РЭА) работать в
...
Расчет управляемого преобразователя автоматизированного электропривода
Анализ продукции ведущих мировых производителей систем привода и
материалов опубликованных научных исследований в этой области позволяет
отметить следующие ...
Меню сайта
2025 © www.informaticspoint.ru